独柱墩抗倾覆稳定性计算及加固设计方案研究
摘要
关键词
独柱墩;支座脱空;有限元;加固设计
正文
1独柱墩抗倾覆稳定性计算规范及原理
1.1抗倾覆规范
根据《公路钢筋混凝土及预应力混凝土桥涵设计规范(JTG 3362-2018》第4.1.8条规定,持久状况下,梁桥不应发生结构体系改变,并应同时满足下列规定:(1)在作用基本组合下,单向受压支座始终保持受压状态;(2)按作用标准值进行组合时,整体式截面简支梁和连续梁的作用效应应符合下式的要求
式中,![]()
为抗倾覆稳定系数;![]()
为使上部结构稳定的作用效应标准组合;![]()
为使上部结构倾覆的汽车荷载(含冲击作用)标准值效应。
1.2抗倾覆原理
在汽车荷载偏心受力下,单向受压支座一次脱离受压状态;同一桥墩的一对横向双支座构成的“抗扭支撑”,形成的对扭矩和扭转角度的双重约束,双支座中的一个支座脱离受压状态后,另一支座仅形成对扭矩的约束;当箱梁的抗扭支撑全部失效,箱梁失稳。
2.案例相关介绍
三汊矶大桥东引桥南北匝道主要指接主桥的4联桥(西南匝道、东南匝道、西北匝道及东北匝道),四条匝道均位于R=50m的圆曲线上。依据专项检测报告的相关内容,需对该四联桥进行维修加固设计;四条匝道上部结构形式采用整体式现浇箱梁,三跨一联。其中西北匝道第一联及西南匝道第一联桥宽为8.6m,东北匝道第一联及东南匝道第一联桥宽为6.2m;下部结构中间墩采用单墩单支座,边墩采用单墩双支座的形式。具体现场图如图1所示。
由专项检查结果可知,该四联桥主要病害表现为:边墩内侧支座脱空、伸缩缝错位以及中间独柱墩偏压,梁体呈现外倾趋势,处于纵向四个支座支撑的状态。

图1三汊矶大桥东引桥南北匝道现场图(单位:cm)
2.2支座脱空分析
支座脱空、伸缩缝错位以及独柱墩的偏压情况趋势是一致的,梁体呈现外倾的趋势,且N1X#墩、N4X#墩、N1D#墩、N4D#墩、B1X#墩、B4X#墩、B1D#墩、B4D#墩内侧支座均处于完全脱空状态,梁体处于纵向四个支座支撑的状态,与设计的受力状态完全不符。依据设计图纸,支座中心线与桥梁中心线完全重合,但梁体重心线位于桥梁中心线的外侧,尤其是东引桥西南匝道和西北匝道的行车道中心线也是位于桥梁中心线的外侧。在重车及恒载的作用下,导致梁体向外侧倾斜。
2.3病害原因
随着交通量迅猛增长,周边地块的不断开发,加上大货车普遍超载运行,弯桥匝道受超载和偏载作用容易导致边墩内侧支座脱空及中墩单支座偏压;匝道桥已运营15年,已达到支座使用年限15年;在车辆冲击和温度变形、收缩徐变以及沉降等的反复作用下,会引起弯梁桥平面内产生较大的位移,容易引起支座损坏;原施工支座本身质量及安装可能存在缺陷,导致发生破坏;原桥设计依据《公路桥涵设计通用规范》(JTG D60-2004)规范中仅在第3.5.8条及《公路钢筋混凝土及预应力混凝土桥涵设计规范》(JTG/T D62-2004)中第9.7.4条中提出了禁止支座脱空的要求,无桥梁抗倾覆稳定性的明确要求和计算方法,现匝道桥以新规《公路钢筋混凝土及预应力混凝土桥涵设计规范》(JTG/T 2262-2018)第4.1.8条进行验算不满足现行规范的要求。
3加固设计及方法
3.1加固原理
按照《桥规》第9.6.9条公路箱梁匝道桥的桥墩,宜满足下列要求:桥墩宜采用横向多支座体系(多柱式或独柱双支座式结构),且支座彼此之间的距离尽量增大;当结构受力满足要求时,可采用墩梁固结。
本次维修设计方案按照规范要求,西南匝道采用增大N1X#墩、N4X#墩单墩双支座横向间距,由支座中心间距由2m增大至4m,N2X#墩、N3X#墩单墩单支座通过独柱墩增设盖梁,由单支座变为双支座,支座中心间距为3.8m。东南匝道采用增大N1D#墩、N4D#墩单墩双支座横向间距,由支座中心间距由1.5m增大至3.5m,其中边跨横梁加宽。N2D#墩、N3D#墩单墩单支座通过独柱墩增设盖梁,由单支座变为双支座,支座中心间距为4.0m。
本次计算采用同豪桥梁博士V4.4.1对桥梁进行模拟分析,并以最新桥梁规范为标准,按部分预应力(A类)混凝土结构进行验算。
3.3结构计算模型
东引桥西南匝道为21+22.5+18m现浇混凝土预应力连续梁桥,加固方案桥梁下部结构N1X#墩、N4X#墩采用单墩双支座,N2X#墩、N3X#墩采用单墩双支座。东南匝道为21+17.73+16.73m现浇混凝土预应力连续梁桥,东南匝道原结构桥梁下部结构N1D#墩、N4D#墩采用单墩双支座,N2D#墩、N3D#墩采用单墩双支座。采用桥博有限元软件进行模拟。桥博计算模型如下图2所示:
图2结构桥博模型
3.4验算结果
倾覆验算-支座反力列入下表1-表2:
表1 西南匝道N1X#~N4X#联左倾倾覆验算-支座并发反力表格
双支座结构抗倾覆分析(左倾) | |||||||||||
项目 | 支座编号 | ||||||||||
N1X墩内侧支座(Z11) | N1X墩外侧支座(Z12) | N2X墩内侧支座(Z21) | N2X墩外侧支座(Z22) | N3X墩内侧支座(Z31) | N3X墩外侧支座(Z32) | N4X墩内侧支座(Z41) | N4X墩外侧支座(Z42) | ||||
支座间距 | li(m) | — | 4 | — | 3.8 | — | 3.8 | — | 4 | ||
支座反力验算(kN) | 稳定效应对应并发支反力 | Z12 | 647.2 | 1092.8 | 1548.3 | 2499.9 | 845.6 | 2433.6 | 873.2 | 1148.4 | |
Z22 | 577.6 | 1129.8 | 1685.6 | 2383.5 | 1031.6 | 2311.4 | 785.4 | 1183.9 | |||
Z32 | 657.6 | 1205.2 | 1078.6 | 2530.6 | 1686.8 | 2159.1 | 666.1 | 1105 | |||
Z42 | 727.1 | 1168.1 | 941.3 | 2647 | 1500.8 | 2281.2 | 753.9 | 1069.4 | |||
验算结论 | 满足规范要求 | ||||||||||
稳定系数验算 | 稳定效应(kN*m) | Z12 | 0 | 4371.2 | 0 | 9499.5 | 0 | 9247.5 | 0 | 4593.5 | |
Z22 | 0 | 4519.4 | 0 | 9057.1 | 0 | 8783.5 | 0 | 4735.8 | |||
Z32 | 0 | 4820.7 | 0 | 9616.1 | 0 | 8204.4 | 0 | 4419.9 | |||
Z42 | 0 | 4672.5 | 0 | 10058.5 | 0 | 8668.4 | 0 | 4277.6 | |||
稳定系数 | — | 100 | — | 100 | — | 100 | — | 100 | |||
验算结论 | 满足规范要求 | ||||||||||
表2 西南匝道N1X#~N4X#联右倾倾覆验算-支座并发反力表格
双支座结构抗倾覆分析(右倾) | ||||||||||
项目 | 支座编号 | |||||||||
N1X墩内侧支座(Z11) | N1X墩外侧支座(Z12) | N2X墩内侧支座(Z21) | N2X墩外侧支座(Z22) | N3X墩内侧支座(Z31) | N3X墩外侧支座(Z32) | N4X墩内侧支座(Z41) | N4X墩外侧支座(Z42) | |||
支座间距 | li(m) | 4 | — | 3.8 | — | 3.8 | — | 4 | — | |
支座反力验算(kN) | 稳定效应对应并发支反力 | Z12 | 577 | 1117.4 | 1723.9 | 2418.2 | 815.6 | 2402.2 | 875.2 | 1159.5 |
Z22 | 727.7 | 1180.6 | 903 | 2612.3 | 1716.9 | 2190.4 | 664.2 | 1093.9 | ||
Z32 | 577 | 1117.4 | 1723.9 | 2418.2 | 815.6 | 2402.2 | 875.2 | 1159.5 | ||
Z42 | 727.7 | 1180.6 | 903 | 2612.3 | 1716.9 | 2190.4 | 664.2 | 1093.9 | ||
验算结论 | 满足规范要求 | |||||||||
稳定系数验算 | 稳定效应(kN*m) | Z12 | 2308 | 0 | 6550.8 | 0 | 3099.2 | 0 | 3500.6 | 0 |
Z22 | 2910.9 | 0 | 3431.4 | 0 | 6524.1 | 0 | 2656.8 | 0 | ||
Z32 | 2308 | 0 | 6550.8 | 0 | 3099.2 | 0 | 3500.6 | 0 | ||
Z42 | 2910.9 | 0 | 3431.4 | 0 | 6524.1 | 0 | 2656.8 | 0 | ||
稳定系数 | 100 | — | 10.62 | — | 10.53 | — | 100 | — | ||
验算结论 | 满足规范要求 | |||||||||
表3 运营阶段支座脱空验算表
支座节点编号 | 支座名称 | 基本组合支反力(kN) | 容许值 | 是否满足 |
39 | z11 | 350.4 | 0 | 是 |
40 | z12 | 970.9 | 0 | 是 |
41 | z21 | 310.7 | 0 | 是 |
42 | z22 | 2370.3 | 0 | 是 |
43 | z31 | 272.9 | 0 | 是 |
44 | z32 | 2111.0 | 0 | 是 |
45 | z41 | 487.6 | 0 | 是 |
46 | z42 | 928.9 | 0 | 是 |
按照《桥规》第4.1.8条验算:支座反力Fz>0,稳定系数>2.5,满足2018新规范要求。
3.5加固设计

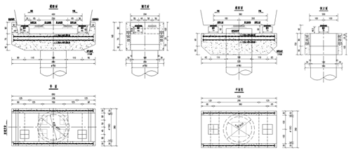
图4匝道边墩抗倾覆加固桥型断面图 图5匝道中墩抗倾覆加固桥型断面图
由上图4-5加固设计图可见:桥梁加固后,增加了下部结构对梁的支撑点,且拉大了边支座的间距,从而提高了桥梁上部的抗倾覆性,满足现行规范的要求。
4结论
本文根据抗倾覆性稳定原理,并根据实际案例,采用软件建模分析,得出桥梁独柱墩解决方案,总结如下:为减少曲线桥梁桥墩桥台处出现支座脱空,支座之间距离尽量增大;若支座出现脱空现象,则可以采用变换支座体系,对独柱墩增设盖梁,单支座改为双支座等措施,抗倾覆结果满足规范要求;基于以前设计采用老规范,无桥梁抗倾覆稳定性的明确要求和计算方法,现在新规范条文中提出了禁止支座脱空的要求和明确的计算方法,为了安全起见有必要对老桥独柱墩进行一定的验算和加固处理。
参考文献:
[1] 唐宸.曲线连续钢箱梁顶推施工和抗倾覆分析[D].中南林业科技大学硕士论文,2020.
[2]JTG D60—2015.公路桥涵设计通用规范[S].
[3]JTG3362—2018.公路钢筋混凝土及预应力混凝土桥涵设计规范[S].
[4]薛野,范文哲等.独柱墩连续梁桥偏载下的抗倾覆稳定性分析[J].广州建筑, 2020,48(06):3-7.
[5]武建军.独柱墩连续箱梁抗倾覆稳定验算及改造设计研究[J].交通世界,2022(20):32-34.
...